电阻器是电路构成的主要元器件之一,通常在微电路中不需考虑其功率大小,所以你可见大多数电路并未给出其功率值标注。一般我们取70℃静止自由空气中为额定功率的最大工作温度点,电阻额定功率记为P70。电阻实际使用时,需要留有一定的功率余量,建议为额定功率的一半。本篇Ameya360电子元器件采购网主要介绍电阻器功率的识别和计算。
电阻器在电路中工作时的功率=电阻两端电压的平方/电阻值。
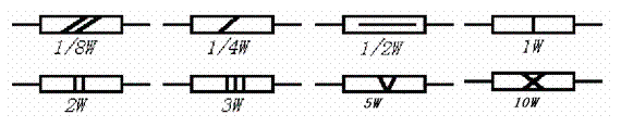
电阻器的正常工作不致于烧坏的功率为额定功率,电阻器工作时实际消耗的功率是消耗功率,它常常只有额定功率的1/2或稍大一点。电阻器额定功率分19个等级,常用的有0.05W、0.125W、0.25 W、0.5 W、1 W、2 W、3 W、5 W、7 W、10 W,在电路图中非线绕电阻器额定功率的符号表示如下图:
当电阻器损坏需更换时,除阻值应相同外,还应注意功率要求,可根据电阻器的体积大小粗略判断,一般体积大的电阻器功率也大。如果功率不够,可以用两个电阻器并阻后使用,但要注意并联合实际阻值与原阻值相同。
电阻器功率要求标识图

在正规的电路图中,如果电阻器无功率标识,表示是功率要求较小的电阻器,一般选用1/8W的电阻器即可。在电路图中,有时为了节省位置而省略了一些单位符号,识别方法是:
(1)阻值在1-999R范围时,单位R省略,仅标数字。如标为“R2/330”表示R2为330R。
(2)阻值在1KR-1MR时,一般用K表示单位。如标为“R2/5K6”表示R2为5.6R。
(3)阻值在1MR以上时,单位省略,在所标数字后面加小数点和0,表示兆欧。如标为“R2/2.0“表示R2为2MR。
以上就是Ameya360电子元器件采购网《电阻器功率的识别和计算》的全部内容了,由于影响电阻功率的环境因素有很多,我们在使用中一定要找合适功率的电阻,不要超负荷运行。
Previous:安森美助发展智能电源及智能感知技术
Next:音频变压器分类、作用及工作原理
Online messageinquiry
| model | brand | Quote |
|---|---|---|
| MC33074DR2G | onsemi | |
| CDZVT2R20B | ROHM Semiconductor | |
| RB751G-40T2R | ROHM Semiconductor | |
| BD71847AMWV-E2 | ROHM Semiconductor | |
| TL431ACLPR | Texas Instruments |
| model | brand | To snap up |
|---|---|---|
| ESR03EZPJ151 | ROHM Semiconductor | |
| STM32F429IGT6 | STMicroelectronics | |
| TPS63050YFFR | Texas Instruments | |
| BP3621 | ROHM Semiconductor | |
| IPZ40N04S5L4R8ATMA1 | Infineon Technologies | |
| BU33JA2MNVX-CTL | ROHM Semiconductor |
Qr code of ameya360 official account
Identify TWO-DIMENSIONAL code, you can pay attention to
Please enter the verification code in the image below: