ULN2003/2004 达林顿晶体管 替代 介绍 应用 洗衣机 冰箱 空调
因为大家接触的最多的UNL2003/2004,下面主要介绍UNL2003/2004然后推荐KEC两个与之相匹配并可以替换的物料,可以为大家节省成本,提供足够物料选型。
ULN2003介绍
高耐压、大电流达林顿阵列,由七个硅NPN 达林顿管组成该电路的特点如下:
ULN2003 的每一对达林顿都串联一个2.7K 的基极电阻,在5V 的工作电压下它能与TTL 和CMOS 电路直接相连,可以直接处理原先需要标准逻辑缓冲器来处理的数据。
ULN2003 工作电压高,工作电流大,灌电流可达500mA,并且能够在关态时承受50V 的电压,输出还可以在高负载电流并行运行。
ULN2003输入电压=5V,适用于TTL COMS,由达林顿管组成驱动电路。通常单片机驱动ULN2003时,上拉2K的电阻较为合适,同时,COM引脚应该悬空或接电源。
ULN2003与ULN2004的不同之处
两个实现的功能基本一样都是输出电压 50V 输出电流 500ma,不同处 回路的电阻有差别,ULN2003是2.7k,ULN2004是10.5k。灵敏度也有差别,简单讲2003适于5V TTL、CMOS输入 ,2004适宜6-15V PMOS CMOS输入。
ULN2003与ULN2004功能
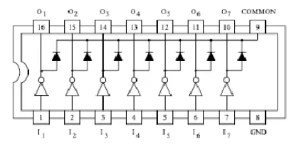
集成达林顿管IC,内部集成的一个消线圈反电动势的二极管,双列16脚封装,NPN晶体管矩阵,最大驱动电压=50V,电流=500mA,它的输出端允许通过电流为200mA,饱和压降VCE 约1V左右,耐压BVCEO 约为36V。用户输出口的外接负载可根据以上参数估算。采用集电极开路输出,输出大电流驱动阵列, 工作电压高、温度范围宽、带负载能力强等特点,多用于单片机、智能仪表、PLC、数字量输出卡等控制电路中。故可直接驱动继电器或固体继电器,直流电机,LED显示器、伺服电机、步进电机、各种电磁 阀、泵等驱动电压高且功率较大的器件 也可直接驱动低压灯泡。所以经常应用的行业有洗衣机、冰箱、空调、空气净化器等。
ULN2003/ULN2004 封装介绍以及可完全相似兼容的物料介绍
每一个单个驱动结构如下

功能框图如下

主要封装如下
直插 DIP

贴片 SOIC SOL SOP FLP-16 封装相似可以替代

TSSOP


Previous:Ameya360电子元器件平台 关于智能照明系统解决方案
Next:小型发动机控制模块解决方案
Online messageinquiry
| model | brand | Quote |
|---|---|---|
| TL431ACLPR | Texas Instruments | |
| BD71847AMWV-E2 | ROHM Semiconductor | |
| MC33074DR2G | onsemi | |
| CDZVT2R20B | ROHM Semiconductor | |
| RB751G-40T2R | ROHM Semiconductor |
| model | brand | To snap up |
|---|---|---|
| STM32F429IGT6 | STMicroelectronics | |
| TPS63050YFFR | Texas Instruments | |
| IPZ40N04S5L4R8ATMA1 | Infineon Technologies | |
| ESR03EZPJ151 | ROHM Semiconductor | |
| BP3621 | ROHM Semiconductor | |
| BU33JA2MNVX-CTL | ROHM Semiconductor |
Qr code of ameya360 official account
Identify TWO-DIMENSIONAL code, you can pay attention to
Please enter the verification code in the image below: